string(4) "2907"

Парогенератор на твердом топливе 1500 кг до 170 °C / 9 бар в Екатеринбурге

Версия
для печати
В наличии на складе Цена в рублях с НДС 2 263 000
Получите скидку
у менеджера
Цена на парогенератор на твердом топливе 1500 кг до 170 °C / 9 бар с доставкой от 2 263 000 рублей с НДС
Производительность, кг/ч1500
ТопливоТвердое, Уголь
Температура пара, не более, °C170
Давление пара, не более, МПа0.9
Доставка ТК в г. Екатеринбург и по России
Безналичный расчет
Опросный лист
Эту продукцию можно
купить в лизинг
  • Технические
    характеристики
  • Описание
    товара
  • Комплект
    поставки
  • Дополнительно
    потребуется
  • Подключение и
    монтаж
  • Сертификаты и
    гарантии
  • Отзывы о
    продукции
  • Видео
    обзор
  • Жаротрубный комбинированный парогенератор
  • Водяной объем в 3 раза превышает паропроизводительность – это исключает температурные колебания в трубной системе и гарантирует надежную работу парогенератора даже при подпитке холодной водой
  • Паровой объем составляет до 15 % от общего объема – это обеспечивает стабильную выработку пара требуемых параметров
  • Большой водяной объем парогенератора, отсутствие горизонтальных участков в трубной системе и эффективная система дренирования позволяют минимизировать последствия выпадения солей и отложения накипи
  • Имеет систему очитки поверхностей нагрева от сажи без остановки работы

Технические характеристики парогенератора на твердом топливе 1500 кг 170 С

Тип Парогенератор
Вид топки Ручная, Колосники
Конструкция котла Жаротрубный
Производительность, кг/ч 1500
Производительность, т/ч 1.5
Максимальная тепловая мощность, МВт 1.1
Диапазон регулирования мощности, % 50-100
Топливо Твердое, Уголь
Низшая теплота сгорания проектного топлива, кКал/кг 5230
КПД котла на УГЛЕ, не менее, % 82
Расход УГЛЯ при максимальной нагрузке котла, кг/ч 256
Расход условного топлива, кг/ч 191
Температура пара, не более, °C 170
Давление пара, не более, МПа 0.9
Давление пара, не более, (кгс/см²) 9
Давление пара, не более, бар 9
Полный объем котла, м³ 6.6
Аэродинамическое сопротивление, Па (мм. вод. ст.) 23.8 (2.38)
Тяга Принудительная
Объем топочной камеры, м³ 3.22
Размер топочной камеры, длина*ширина*высота, мм 2640х1100х1050
Активная площадь решетки горения, м² 2.74
Присоединительные размеры выхода пара, Ду 80
Присоединительные размеры по водяному тракту, Ду 32
Присоединительные размеры по дымовым газам / диаметр дымовой трубы, мм 550
Габаритные размеры котла, длина*ширина*высота, мм 5000х2200х2400
Масса, кг 6950
Марка STEAMEXPERT
Энергоэффективность Высокая
Бренд STEAMEXPERT

Твердотопливный парогенератор 1500 кг 170 С в Екатеринбурге

Парогенератор твердотопливный 1500 кг предназначен для выработки пара высокого давления 0.9 МПа / 9,0 кгс/см 2 / 9 бар и температурой до 170 °С. Промышленный парогенератор на твердом топливе 1500 кг - 170 °С - 9,0 кгс/см2 применяется для обработки молочной, мясной и рыбной продукции, для стерилизации тары в пищевой промышленности, при приготовлении и запаривании комбикормов в животноводстве, в пивоварении, при производстве бетона, газобетона, пенобетона, ЖБИ, тротуарной плитки при производстве фанеры, в горнодобывающей промышленности, в строительстве для разморозки инертных материалов, в деревообработке для пропарки древесины в сушильных и пропарочных камерах, при нефтедобыче и нефтепереработке, для отопления и горячего водоснабжения промышленных зданий.

На нашем заводе вы можете купить промышленные парогенераторы на всех видах топлива различных давления и температуры.

Твердотопливные парогенераторы 1.5 т 0.9 МПа 170 ºС марки STEAMEXPERT имеют следующие преимущества

  • Исключен вынос капель воды в технологические трубопроводы благодаря большой поверхности испарения и наличию сепаратора пара
  • Стабильная непрерывная выработка пара требуемых параметров при любой нагрузке благодаря большой паросборной камере - до 15 % от общего объема
  • Высокая скорость образования пара благодаря эффективной конвективной части котла
  • Возможность подпитки котла холодной водой +5 °С благодаря большому водяному объему и отсутствию температурных колебаний в трубной системе, работа парогенератора без экономайзера и подогревателя питательной воды
  • Повышенная надежность конструкции благодаря отсутствию неравномерных температурных расширений в жаровой трубе и трубной части теплообменника
  • Внешние поверхности нагрева очищаются паром без остановки котла
  • Внутренние поверхности нагрева не имеют горизонтальных участков и позволяют дренировать и очищать котел от выпадающего в процессе работы шлама без остановки парообразования

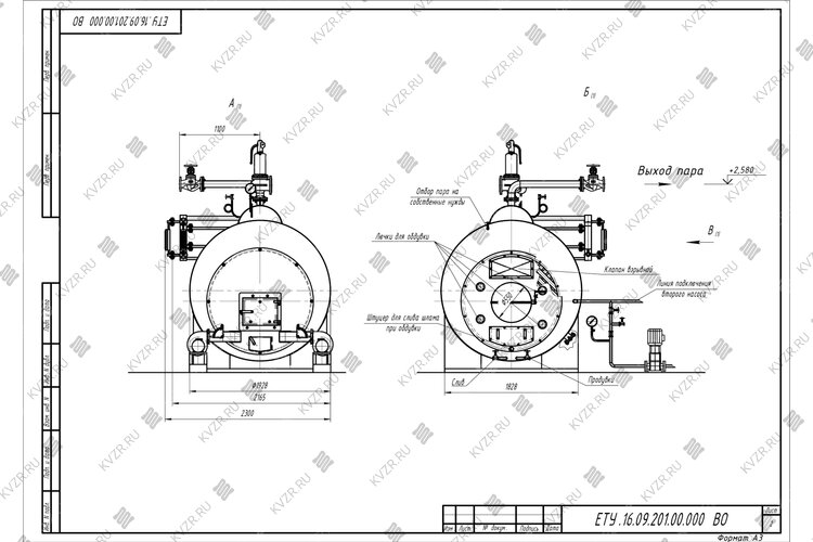
Устройство парогенератора на угле 1500 кг 170 °С

Конструкция парообразователей бренда STEAMEXPERT 1500-170-0.9 отличается от парогенераторов Ural-Power на твердом топливе.

Угольный парогенератор STEAMEXPERT представляет собой прямоточный цилиндрический горизонтальный жаротрубный парообразователь с чугунной колосниковой слоевой топкой и автоматикой.

Топка размещена в передней части котельного блока, а в задней части - конвективный пакет труб.

На фронтальной плите имеется чугунная дверка для загрузки угля или дров. Рядом с топочной дверкой располагается отверстие для подключения вентилятора поддува. Под колосниками располагается дверка для очистки зольного короба от золовых отложений.

Для управления и защиты котлоагрегатов и вспомогательного оборудования предусмотрены автоматизация - пульт управления и контрольно-измерительные приборы. Заводская автоматика ограничивает предельно допустимые давление и температуру пара, управляет вентилятором и подпиточным насосом и регулирует уровень воды в барабане. Автоматика по заданному давлению производит управление вентилятором и, следовательно, интенсивностью горения.

Установки имеют максимальную заводскую готовность, опоры для установки на фундамент, обшивку и крепления для вспомогательного оборудования.

Принцип работы угольного парогенератора 1500 кг 170 °С - 9 кгс/см2

Твердое топливо уголь или дрова через фронтальную дверку вручную подается в топочную камеру. Для обеспечения горения вентилятором в топку подается воздух. Образующиеся зола и шлак проваливаются в зольную камеру. Продукты сгорания, образующиеся в процессе горения нагревают воду в водяной рубашке топочной камеры, проходят через трубный пучок паровой установки и выходят в его верхней части.

Водотрубный пучок соединяет верхнюю и нижнюю часть водяной рубашки агрегата. Пар высокого давления образуется при испарении нагреваемой воды и собирается в верхней части агрегата, в паросборной камере, далее пар через паропровод направляется на технологические нужды.

Автоматика обеспечивает безопасную работу.

Комплектация и монтаж парогенератора 1,5 т пара 9 бар

Парогенератор на твердом топливе 1,5 т 170 °С 0.9 МПа комплектуется манометром, уровнемерной колонкой, указателем уровня, двумя предохранительными клапанами, паровыми и продувочными вентилями, колосниками, вентилятором поддува, приборами КИП. Питательные насосы и автоматика поставляются отдельно.

Агрегат поставляется блоком максимальной заводской готовности. Блок устанавливается на специально подготовленную ровную поверхность.

Подсоединяется по воде, устанавливается запорная арматура на подводящем трубопроводе и отводящем паропроводе, устанавливаются предохранительные клапаны и контрольно-измерительные приборы. В случае необходимости делается изоляция котлоагрегата. Подключается автоматика.

Купить твердотопливный парогенератор 1500 кг 170 °С

Купить парогенератор на твердом топливе 1500 кг 170 °С 0.9 МПа в Екатеринбурге вы можете в нашем электронном магазине, прислав заявку на наш электронный адрес, также вы можете оформить заявку онлайн или позвонить по телефону 8-800-700-17-43. Доставка осуществляется транспортными компаниями по всей России и Казахстану.

Дополнительное вспомогательное оборудование для работы парогенератора на твердом топливе 1500 кг 170 С

Для эффективной и надежной работы парогенератора на твердом топливе 1500 кг 170 С в вашей котельной вам потребуется дополнительное оборудование - автоматика ЩУК, насос сетевой и подпиточный, газоходы и переходники для газового тракта, дымовая труба. Мы предлагаем рассмотреть типовые варианты комплектации.

В случае если у вас на объекте уже имеется насосное и тягодутьевое оборудование, мы можем проверить совместимость парогенератора на твердом топливе 1500 кг 170 С нашего производства и вашего оборудования.

Для проверки соответствия подпиточной воды для котлоагрегата требованиям к питательной воде, направьте нам химический анализ воды, в случае необходимости ее корректировки мы предложим вам систему водоподготовки котловой воды.

Можем изготовить нестандартные узлы для выполнения быстрого монтажа котла - газоходы и узлы обвязки.

Типовую схему монтажа котла вы можете посмотреть во вкладке схемы подключения и монтаж.

Автоматика твердотопливного парового котла выполняет следующие функции:

  • ручной пуск котла, вентилятора и насоса;
  • автоматическое поддержания уровня воды в котле;
  • автоматическое поддержание заданного давления пара на выходе из котла.

Выполняет аварийную остановку котла, вентилятора и насоса при:

  • понижении уровня воды в котле ниже критического уровня;
  • повышении уровня воды в котле выше критического уровня (перелив);
  • повышении давления пара в котле.
Цена 168 000 рублей с НДС

Используется в качестве питательного насоса в производственных паровых котельных

Цена 137 100 рублей с НДС

Разрабатывает индивидуально на основе химического анализа воды потеребителя

Дымосос для удаления дымовых газов из котла.

Цена 101 400 рублей с НДС
  • Компактный золоуловитель для твердотопливных котлов
  • Может устанавливаться как сразу за котлом, так и на улице
  • Универсальная конструкция позволяет организовать выход справа или слева, в зависимости от компоновки газоходов
Цена 61 000 рублей с НДС

Дымосос для удаления дымовых газов из котла.

Цена 217 100 рублей с НДС

Производим газоходы по индивидуальному заказу согласно схеме компоновки котельной. Системы газоходов могут включать в себя:

  • шиберы;
  • газоходы различного сечения;
  • переходы;
  • тройники;
  • карманы всасывающие дымососов.

Схемы подключения и монтаж парогенератора на твердом топливе 1500 кг 170 С

Жаротрубный парогенератор на твердом топливе 1500 кг до 170 °C / 9 бар, предназначен для получения насыщенного пара для технологических целей в производстве. Устанавливается в производственных и промышленных котельных.

Схема подключения и монтажа
Смотреть
Скачать

Схема подключения и монтажа

Монтаж парогенератора на твердом топливе 1500 кг 170 С в котельной должен производиться в соответствии с проектом и с учетом требований Свода правил СП 89.13330. 2016 «Котельные установки» и «Правила промышленной безопасности при использовании оборудования, работающего под избыточным давлением, утверждены приказом Федеральной службы по экологическому, технологическому и атомному надзору от 15 декабря 2020 года N 536». Правильный монтаж котла – залог его надежной и долгой работы.

Чтобы правильно подключить парогенератор на твердом топливе 1500 кг до 170 °C / 9 бар в котельной необходимо оставить проемы для обслуживания оборудования во время эксплуатации. На представленной здесь схеме обозначены их размеры. Кроме того, в данной примерной схеме монтажа паровых котлов и оборудования указан перечень минимально необходимого вспомогательного оборудования.

К вспомогательному оборудованию при подключении промышленного парового котла относят - щит управления котлом, питательные насосы (1 рабочий, 2 резервный), бак запаса воды, охладитель проб отбора воды, систему водоподготовки котловой воды, дымовую трубу, систему газоходов и тягодутьевых механизмов (по проекту).

В случае если подпиточная вода не соответствует по своим характеристикам требованиям к питательной воде, необходимо предусмотреть систему водоподготовки котловой воды.

Система питания котла
Смотреть
Скачать

Система питания парогенератора на твердом топливе 1500 кг 170 С

При работе котла питание водой парогенератора на твердом топливе 1500 кг 170 С производится через штуцер.

Подпитка котла ведется из питательного бака через насос, соединительную арматуру. На трубопроводе подпитки котла водой должно быть установлено запорное устройство и обратный клапан. Запорное устройство должно располагаться между котлом и обратным клапаном.

Для подпитки устанавливается не менее двух насосов с электроприводом. На стороне нагнетания каждого центробежного насоса до запорного органа должен быть установлен обратный клапан.

На трубопроводе выдачи пара, в непосредственной близости от котла, устанавливается запорное устройство.

На котле имеются продувочные штуцера Ду25, Ду15 и Ду10. Штуцер Ду25 предназначен для удаления шлама, образующегося в результате работы котла, периодической продувки котловой воды и для спуска воды в случае необходимости. Штуцер Ду15 предназначен для продувки водомерной колонки. Штуцера Ду10 предназначены для продувки указателей уровня.

В передней части жаровой трубы в верхней части установлена легкоплавкая пробка – предохранительное устройство прямого действия.

На боковой части корпуса устанавливается датчик уровней воды, связанный с паровым и водным пространством котла соединительными трубками не менее Ду25.

На боковой части корпуса устанавливается соединительная труба (колонка), служащая для установки двух указателей уровня, и связанная с паровым и водным пространством котла соединительными трубками не менее Ду25.

На боковой части корпуса внизу у котла имеется ревизия с крышкой, для периодического осмотра состояния поверхностей нагрева со стороны водяного объема.

Схема парогенератора на твердом топливе 1500 кг 170 С
Смотреть
Скачать

Схема парогенератора на твердом топливе 1500 кг 170 С

В передней части жаровой трубы размещена топка, а в задней части - конвективный пучок труб.

В верхней части котла приварен паросборник, представляющий собой полуцилиндр. На паросборной камере устанавливаются предохранительные клапаны и два штуцера Ду15, один для установки электроконтактного манометра, второй для спуска воздуха с котла при заполнении водой при подготовке к работе.

К фронтовой плите крепится воздуховод и вентилятор для подачи воздуха в топку котла под колосниковую решетку.

На задней крышке в основании дымовой трубы выполнен предохранительный взрывной клапан.

Образующиеся в топочной камере продукты сгорания проходят конвективный пучок труб и выводятся через трубу дымовую, установленную на корпусе в хвостовой части котла.

Отвод пара парогенератора на твердом топливе 1500 кг 170 С
Смотреть
Скачать

Отвод пара парогенератора на твердом топливе 1500 кг 170 С

Предохранительные клапаны предназначены для стравливания давления в котле при превышении допустимого значения. На котле установлены предохранительные клапаны пропускной способностью не менее часовой производительности котла.

Принцип работы клапана состоит в том, что при достижении паром номинального давления избыток пара выходит наружу. Клапана оборудованы ручным приводом для открывания при проверке их на срабатывание.

Щит управления совместно с электрооборудованием предназначен для управления работой парогенератора на твердом топливе 1500 кг 170 С и защиты его при возникновении аварийных ситуаций. На двери щита расположены сигнальная лампа и органы управления работой котла, с табличками, указывающими их назначение. По месту либо на стенке щита крепится сигнальная сирена.

На паросборной камере устанавливается один электроконтактный манометр. При монтаже манометра, показывающего давление пара в котле, должна быть предусмотрена установка трехходового крана между манометром и сифонным устройством. Допускается установка других устройств, позволяющих контролировать показания рабочего манометра, путем подключения в систему контрольного манометра. Электроконтактный манометр выполняет роль датчика давления и предназначен для отключения дутьевого вентилятора и включения аварийной сигнализации при достижении паром предельно допустимого давления.

Датчик уровней служит для подачи команды на включение и отключение питательного насоса котла в процессе работы.

Указатель уровня воды предназначен для визуального контроля за уровнем воды при работе котла. На корпусе указателя крепится рамка или наносятся метки, указывающие верхний и нижний уровень воды.

Легкоплавкая пробка предназначена для сброса пара во внутренний объем топочной камеры в случае упуска воды ниже аварийного уровня и достижения фактического уровня воды на работающем котле ниже верхней кромки жаровой трубы. При этом легкоплавкая пробка перестает охлаждаться котловой водой и нагревается до температуры газов в топочной камере. Из-за нагрева наполнитель легкоплавкой пробки плавится и выдавливается давлением пара в топочную камеру, при этом сбрасывается давление пара и дополнительно гасится пламя.

Дополнительные услуги

Сертификат и качество парогенератора на твердом топливе 1500 кг 170 С

Парогенераторы производства Котельный завод "РЭП" соответствуют строгим стандартам качества и безопасности. Завод производит парогенераторы в соответствии с требованиями ГОСТ 30735-3001 по Техническим Условиям завода.

Котлы имеют сертификаты соответствия Техническим регламентам Таможенного союза:

  • ТР ТС 032/2013 - «О безопасности оборудования, работающего под избыточным давлением».

Энергоэффективный парогенератор на твердом топливе 1500 кг до 170 °C / 9 бар имеет гарантийный срок 24 месяца и срок работы при соблюдении правил монтажа и эксплуатации оборудования 10 лет.

Сертификат на котлы паровые Е .jpg
Сертификат на паровые котлы Е
Товарный знак на котлы паровые STEAMEXPERT .jpg
Товарный знак на паровые котлы STEAMEXPERT

Отзывы о продукции

Отзыва о товаре пока нет, будьте первыми!

Промышленные твердотопливные парогенераторы предназначены для выработки пара давлением от 0,07 до 0,9 МПа (до 9,0 кгс/см2) и температурой 115- 170°С. Котельный завод осуществляет производство парогенераторов и поставляет все сопутствующее оборудование - насосы, автоматику, водоподготовку и прочее.

Смотреть видеообзор на

Вопрос-ответ

  • Технические
    характеристики
  • Описание
    товара
  • Комплект
    поставки
  • Дополнительно
    потребуется
  • Подключение и
    монтаж
  • Сертификаты и
    гарантии
  • Отзывы о
    продукции
  • Видео
    обзор
Документы завода
  • Сертификаты завода
  • Членство в СРО
  • Аттестованная технология сварки
  • Патенты на котельное оборудование
  • Товарные знаки
Смотреть все документы
Сертификат на водогрейные котлы на твердом и жидком топливе
Сертификат на водогрейные котлы на газе и жидком топливе
Сертификат на котлы отопительные паровые КП
Сертификат на топки
Сертификат на щиты управления
Сертификат на скиповые подъемники
Сертификат на золоуловители (циклоны)
Сертификат на конвейеры скребковые
Сертификат на дробилки
Сертификат на клапаны предохранительные
Сертификат на бункер-накопитель механизированный
Сертификат на автоматику газовых горелок
Сертификат о происхождении товара форма СТ-1
Членство в СРО
Членство в СРО
Аттестованная технология сварки
Свидетельство аттестованной технологии сварки
Патент на отопительный котел
Патент на водогрейный котел
Патент на топку водогрейного котла
Патент на водогрейный газовый котел
Патент на водогрейный котел
Патент на топочное устройство твердотопливного котла
Патент на водогрейный котел
HEATEXPERT товарный знак
KVZR товарный знак
STEAMEXPERT товарный знак
Другая похожая продукция
Парогенераторы 1500 кг пара на газе
Лизинг
Производительность, кг/ч1500
ТопливоГаз
Температура пара, не более, °C170
Давление пара, не более, МПа0.9
1 672 000 р. Цена с НДС
Дизельный котел 1500 кг 170 С
Лизинг
Производительность, кг/ч1500
Температура пара, не более, °C170
Давление пара, не более, МПа0.9
1 672 000 р. Цена с НДС
Парогенератор 1500 кг пара на угле
Лизинг
Производительность, кг/ч1500
ТопливоТвердое, Уголь
Температура пара, не более, °C115
Давление пара, не более, МПа0.07
1 722 000 р. Цена с НДС
Вы просматривали эти товары
Парогенератор 1500 кг 170 С на твердом топливе
Лизинг
Производительность, кг/ч1500
ТопливоТвердое, Уголь
Температура пара, не более, °C170
Давление пара, не более, МПа0.9
2 263 000 р. Цена с НДС
Циклон ЦН 24
МаркаЦН 24
Диаметр, мм800
Производительность, м³/ч8100
86 000 р. Цена с НДС
Автоматический угольный котел 300 кВт
Лизинг
Вид топкиРетортная, Автоматическая
Максимальная тепловая мощность, кВт300
Отапливаемая площадь, м²2300-3300
857 000 р. Цена с НДС
Котел 600 кВт на дровах
Лизинг
Вид топкиКолосники, ОУР
Максимальная тепловая мощность, кВт600
ТопливоДрова
Отапливаемая площадь, м²4700-6700
663 000 р. Цена с НДС
background